×

BISAGRA SIMPLE

Referencia:
01862PB
Disponible
Muesca: CON MUESCA
Añadir a la lista de deseos
Añadir para comparar0
Descripción

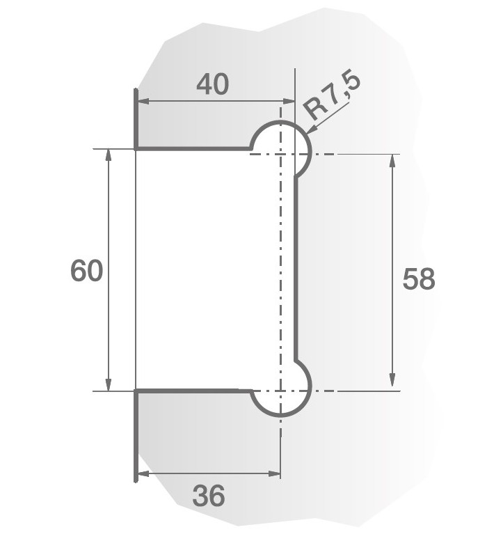
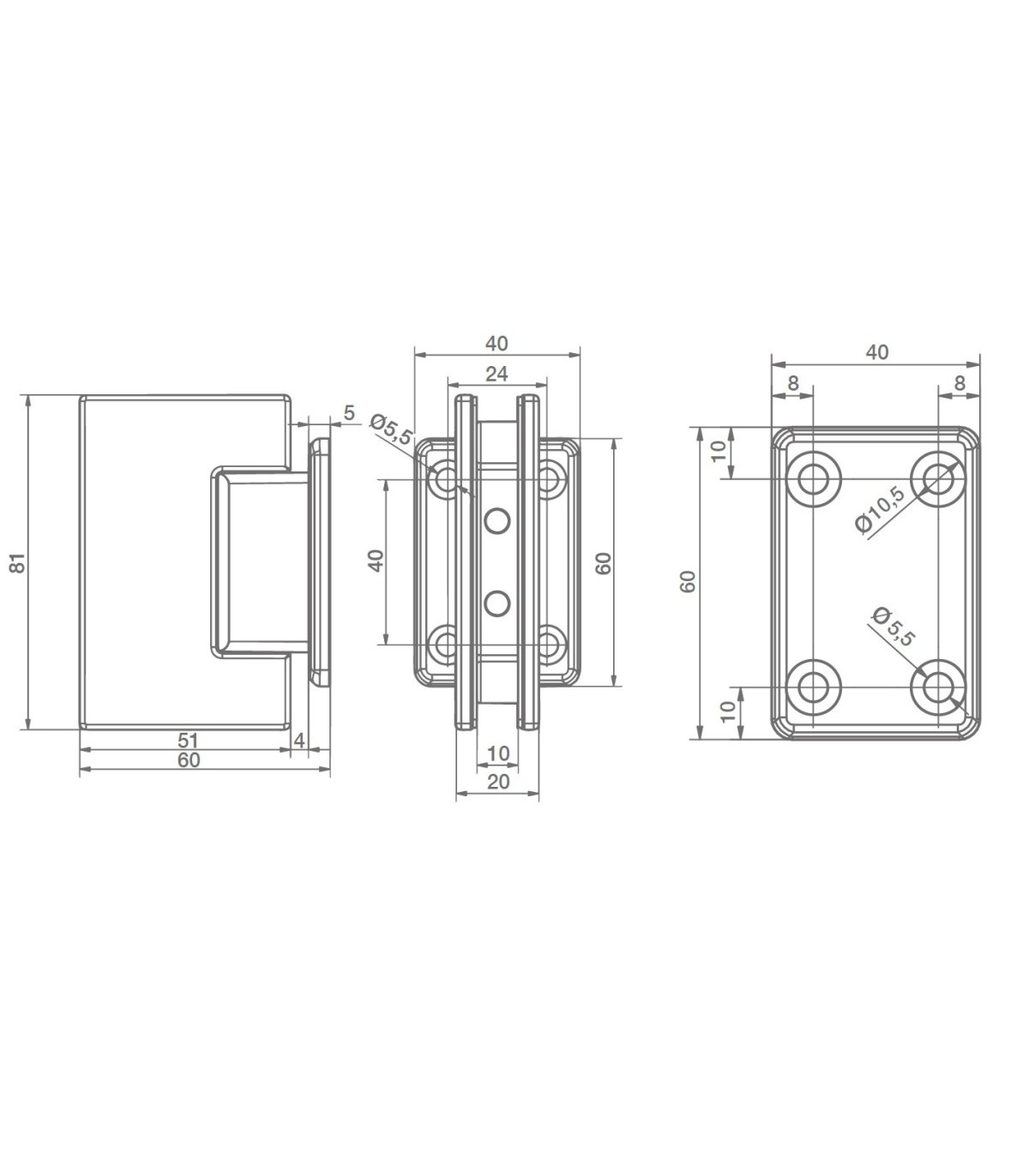
Bisagra simple 90º
Medidas máximas aconsejables:Cotas puerta 1000 X 2500.
Espesor vidrio 8/10 mm.
Carga 30 kg x unidad.
Fabricadas en Latón
Modelos con retención mecanica a 0º y + – 90º
Tornillería en acero inoxidable A2
Ejes de giro en acero oxidable AISI 303.

Leer másMostrar menos
Detalles del producto

Ficha técnica

Referencia catalogo
1862PB
Acabado
PLATA BRILLO
C/s muesca
CON MUESCA
Material
LATÓN
Modelo
VESTA
Tipo
SIMPLE
Caracteristica
CENTRADA
Envio
STANDARD
Grosor
8 MM
10 MM
Otros acabados disponibles:
En la misma categoría

Categorías

Crea una cuenta gratuita para utilizar listas de deseos.

Sign in
Consentimiento de cookies